kopilkaurokov.ru - сайт для учителей

Создайте Ваш сайт учителя Видеоуроки Олимпиады Вебинары для учителей

Внеурочное мероприятие "Лучший по профессии"

Нажмите, чтобы узнать подробности

Конкурс профессионального мастерства по профессии "Автомеханик"

Вы уже знаете о суперспособностях современного учителя?
Тратить минимум сил на подготовку и проведение уроков.
Быстро и объективно проверять знания учащихся.
Сделать изучение нового материала максимально понятным.
Избавить себя от подбора заданий и их проверки после уроков.
Наладить дисциплину на своих уроках.
Получить возможность работать творчески.

Просмотр содержимого документа
«Внеурочное мероприятие "Лучший по профессии"»

Луганский колледж информационных технологий и предпринимательства



Предметная неделя цикловой комиссии электротехнического производства




МЕТОДИЧЕСКАЯ РАЗРАБОТКА


Конкурса «Лучший по профессии»







Разработала:

Преподаватель сп

Л.С. Саух

Луганск 2020 г.





Вводная часть


Внеклассная работа играет важную психологическую роль в формировании конструктивной учебной мотивации обучающихся. Конкурсы – одна из наиболее эффективных форм обучения, особенно при контроле знаний. также предоставляет эффективный путь усовершенствования учебного процесса, повышения заинтересованности обучающихся и роста успеваемости учащихся.


Основная цель – оценить состояние профессиональной подготовки наших обучающихся, продемонстрировать мастерство и поднять престиж профессии, выявить лучших учащихся по профессии «Слесарей по ремонту автомобилей.» Конкурс проводится из обучающихся заранее отобранных мастерами производственного обучения по рейтингу оценок за предметы «Спецтехнология», «Материаловедение», « Электротехника с основами промышленной электроники» и производственного обучения.

Самостоятельная творческая деятельность обучающихся в данном случае была организована через исследовательскую деятельность, которая помогла проявить учащимся свои способности к сбору интересной информации и умении грамотно и убедительно преподнести ее слушателю. Практика показала, что в такого рода деятельности лучше раскрываются учащиеся. Они более тщательно готовятся к внеурочным мероприятиям и выступают очень достойно.


Важной задачей педагога становится ориентация студентов на самосовершенствование, самовоспитание, развитие активности в учебном процессе.

Данная разработка формирует у учащихся информационно-познавательной компетенции, пополняет словарный запас профессиональной терминологией, историческими данными из области автомобильного транспорта. а также сложных умений оперировать знаниями при решении интеллектуально – практических заданий творческого характера. Воспитывает у учащихся чувства ответственности, любви к выбранной профессии, здорового соперничества, толерантности, коммуникабельности, взаимопонимания.





Основная часть

Цели:

Обучающая: закрепить теоретические знания по предмету «Устройство автомобилей» на практике; повышение качества профессиональной подготовки, демонстрация современного оборудования и эффективное ее использование обучающимися, широкая пропаганда среди молодежи рабочих профессий, а также повышение престижа.


Развивающая: развитие профессиональных компетенций обучающихся, самостоятельность в выборе способа, режима, условий и организации работы; развитие интереса к профессии;


Воспитательная: воспитание у обучающихся чувства ответственности, любви к выбранной профессии, здорового соперничества, толерантности, коммуникабельности, взаимопонимания.

Средства обучения:

1. Материально- техническое:

  • Компьютер.

  • Проектор.

  • Экран.


2. Дидактическое обеспечение:


  • Презентация.

  • Тесты

  • Карточки-задания по устройству автомобиля




Межпредметные связи:


  • История.

  • Устройство автомобилей

  • Материаловедение.

  • Электротехника.

  • Охрана труда.

  • Литература.

Литература


  1. Хэнкок Д. самоучитель по развитию памяти. – М.: Изд-во Эксмо, 2006.-320с.

  2. Рыбин А.Н. Энциклопедия автомобилиста. Электронный вариант,2002г.

4. Авторы-составители Чумаченко Ю. Т., Герасименко А. И., Рассанов Б. Б.Ч-90 АВТОСЛЕСАРЬ. Устройство, техническое обслуживание и ремонт автомобилей: Учебное пособие / Под ред. А. С. Трофименко. Ростов н/Д: Феникс, 2001. 576 с.

. 5.Материаловедение: учебное пособие / Ю.П. Егоров, Ю.М. Лозинский, Е.И. Марр и др.; Под А.Г. Багинского; Томский политехнический университет. – Томск: Изд-во Томского политехнического университета, 2013. – 100 с.

6. Гуляев А.П. Металловедение. – М.: Металлургия, 1986.

7. Электротехника А.В. Врублевський, Г. Н. Григорьянеь, Д.П. Жуков,1978

8. -Раздорожный А.А. Охрана труда и производственная безопасность. Издательство: Экзамен, 2007. - 512 с.

9.Бобкова О.В. Охрана труда и техника безопасности. Обеспечение прав работника. Издательство: Омега-Л, 2008. - 290 с.

10. Сайт: http://autology.jimdo.com/

11. Сайт: и http://autorelease.ru/articles.html

12. Сайт: http://galinafleituh.jimdo.com

ПРОГРАММА:

ПЕРВЫЙ ЭТАП:

1. Конкурс – Проверка домашнего задания «А знаете ли Вы…»

2. Конкурс - «Разминка»

3. Конкурс –«Типы кузовов»

4. Конкурс – «Устройство автомобиля»

5. Конкурс – «Скрытый вопрос»

6. Конкурс - «Проверь свою память»

7. Конкурс - «Тесты»

ВТОРОЙ ЭТАП:

8. Конкурс – «Практическая работа»

Ход мероприятия

1. Организационный момент


  • Приветствие .

  • Представление участников конкурса.

  • Оглашение темы и цели конкурса.

  • Оглашение этапов конкурса.

  • Объяснение критериев оценивание.

Структура мероприятия

Ведущий : Приветствует участников, жюри и гостей конкурса.

Ведущий : Сегодня у нас необычное мероприятие, а конкурс «Лучший по профессии» в котором участвуют учащиеся групп «Слесарей по ремонту автомобиля» групп №203, 303,2.

Ведущий: Оценивать будет жюри в составе:

Состав жюри:


1. Пинчук Е.А. – старший мастер


2. Учунжан А.М. – мастер группы № 303.

3.Кепер В.С. мастер группы №103


Ведущий : Оглашает тему и цель конкурса.

Тема: Конкурс «Лучший по профессии». Цель: закрепить теоретические знания по предмету «Устройство автомобилей» на практике повышение качества профессиональной подготовки, демонстрация современного оборудования и эффективное ее использование обучающимися, широкая пропаганда среди молодежи рабочих профессий, а также повышение престижа профессии.

Ведущий № 1: Наш конкурс состоит из двух этапов. В первом этапе наши участники покажут знания в теории по предметам «Устройству автомобиля», «Материаловедение», «Электротехника с основами промышленной электроники», «Охраны труда» и «Информационных технологий». А во втором этапе мы проверим их знания в практике.

ПЕРВЫЙ ЭТАП:

1. Конкурс – Проверка домашнего задания «А знаете ли Вы…»

2. Конкурс - «Разминка»

3. Конкурс –«Определи тип кузова»

4. Конкурс – «Устройство автомобиля»

5. Конкурс – «Скрытый вопрос»

6. Конкурс - «Проверь свою память»

7. Конкурс - «Тесты»

.

За каждый конкурс участники будут набирать баллы и по окончанию соревнования наше уважаемое жюри подчитает общее количество баллов каждого участника и назовёт победителя.

Итак, переходим к соревновательной части нашего конкурса «Лучший по профессии».

Ведущий: КОНКУРС Проверка домашнего задания «А знаете ли Вы…» Каждый участник получил небольшое домашнее задание- найти интересный факт или оригинальную информацию на автомобильную тематику. Это информация должна вмещаться в одно предложение, а начинаться со слов «А знаете ли Вы…». Участник который сообщит самую оригинальную и интересную информацию получит балл. На усмотрение жюри таких участников может быть несколько. Внимание мы начинаем!

Участники по очереди рассказывают своё домашнее задание.

Ведущий: Спасибо всем за выполненное домашнее задание. Жюри объявите победителя в первом конкурсе.

Ведущий: Второй конкурс «Разминка». Каждому участнику по очереди будет задаваться вопрос с общего кроссворда. За правильный ответ участник получает балл. Если ответ не верный или участник затрудняется ответить, то отвечает, тот кто первый поднял руку.

Задания:

1. Либо выпускает и закрывает.

Либо выпускает и держит.

1.

К

Л

А

П

А

Н

2. Как работать - так вращаться, чтобы маслу очищаться.

Грязь от масла отделю-

Фильтр в машине подменю.

2.

Ц

Е

Н

Т

Р

И

Ф

У

Г

А


3. Чтоб не так тебя трясло,

назови меня и все!

3.

А

М

О

Р

Т

И

З

А

Т

О

Р


4. Я не мою не стираю,

Но вот грязь я очищаю.

4.

Б

Р

Ы

З

Г

О

В

И

К


5. Я похож на гармонь,

Но играю охлаждающую роль.

5.

Р

А

Д

И

А

Т

О

Р


6. Я тонка и гибка,

Но зато болят бока

Я от многого спасаю

И от течи защищаю.

6.

П

Р

О

К

Л

А

Д

К

А


7. У меня большая семья,

А хозяин в ней – я!

7.Д

В

И

Г

А

Т

Е

Л

Ь


8. На повороте - помогаю,

Но, а в грязь заедешь, я мешаю.

8.

Д

И

Ф

Ф

Е

Р

Е

Н

Ц

И

А

Л


9. У меня 5 лопастей

И кручусь я всех быстрей.

9

Е

Н

Т

И

Л

Я

Т

О

Р






Вы ответили на все загадки верно и получили ключевое слово…

Ответы:





1.

К

Л

А

П

А

Н







2.

Ц

Е

Н

Т

Р

И

Ф

У

Г

А

3.

А

М

О

Р

Т

И

З

А

Т

О

Р




4.

Б

Р

Ы

З

Г

О

В

И

К








5.

Р

А

Д

И

А

Т

О

Р





6.

П

Р

О

К

Л

А

Д

К

А


7.Д

В

И

Г

А

Т

Е

Л

Ь






8.

Д

И

Ф

Ф

Е

Р

Е

Н

Ц

И

А

Л


9

Е

Н

Т

И

Л

Я

Т

О

Р






Ведущий: Спасибо участникам. Жюри объявите количество баллов за два конкурса.


КОНКУРС № 3: «Определи тип кузова».

Ведущий : А теперь попробуйте определить, какой тип кузова легковых автомобилей представлен буде на слайде? По очереди каждому участнику будет показан слайд с определённым типом кузова. Ваша задача- назвать его. Если ответ верен получаете 1 балл. Если ответ не верный, то права отвечать переходит к тому участнику, который первый поднял руку.


Кузов большинства легковых автомобилей - основа, на которой закреплены все агрегаты, механизмы, внутреннее и внешнее оборудование _ салона (от сидений до ремней - безопасности, от зеркал заднего вида до стекол и стеклоочистителей и т.д.). Кузова современных легковых автомобилей разнообразны и многофункциональны, хотя, конечно, их основное предназначение - перевозка пассажиров и небольшой поклажи. Название кузова нередко отождествляют с названием автомобиля.

Вот перед Вами фото: назовите тип кузова представленный на экране.

Внедорожник (обиходное название джип) – двухобъемный закрытый пассажирский тип кузова, имеющий пять или шесть дверей, из которых одна или две – задние, два или три ряда пассажирских сидений. Внедорожник отличают большие габаритные размеры, наличие полного привода, понижающей передачи и увеличенный дорожный просвет, позволяющий автомобилю передвигаться по дорогам и бездорожью.


Наибольшее распространение среди кузовов в последней четверти XX века получил седан - кузов с четырьмя или двумя дверями и, что самое главное, не менее чем с двумя рядами полноразмерных сидений, т.е. рассчитанных на среднестатистического взрослого. В Англии его называют Saloon, во Франции - Berline, в Германии - Limousine. В седане могут расположиться 4-5 взрослых людей. Моторный отсек и багажное отделение у седанов вынесены наружу, т.е. они изолированы от салона.



К упе в классическом исполнении - это двух дверный кузов с одним рядом полноразмерных сидений. Сзади возможна установка еще одного ряда укороченных мест (детских). В современном автомобилестроении купе все чаще оснащают полноценными четырехместными сиденьями. За рубежом кузова купе получили более широкое распространение, как в виде дорогих скоростных машин полуспортивного типа, так и в виде относительно дешевых компактных городских автомобиле



Универсал - грузопассажирский кузов с двумя рядами полноразмерных сидений и дополнительной (пятой) дверью. Багажное отделение является продолжением пассажирского салона. Задние сиденья в разложенном состоянии увеличивают площадь багажного отделения.




Хэтчбек это гибрид седана и универсала. Для увеличения багажного отделения хэтчбека задние сиденья в нем могут складываться. В последние десять лет хэтчбеки получают все большее распространение.




Л имузин - вытянутый кузов с" жесткой остекленной перегородкой, отделяющей передние сиденья от пассажирского салона. Обычно эти машины относятся к большому или высшему классу.




Вагон кузов без выступающих моторного отсека и багажного отделения. Вагонная компоновка используется в автобусах и микроавтобусах (например,
«Газель»).




Кабриолет - кузов вовсе без крыши или с мягким складным верхом



.




П икап - кузов, у которого открытая грузов платформа отделена от водительского места жесткой стационарной
перегородкой.

Просим жюри повести итоги конкурса. А также объявить общий за три конкурса. (Жюри объявляет количество баллов за три конкурса.)


Ведущий : Переходим к КОНКУРСУ «Устройство автомобиля»


Я раздам каждому карточку на которой изображен легковой автомобиль. Вам необходимо будет написать название выделенных основных частей. Время на выполнение задания 1 минута. После этого жюри проверит правильность заполнения и объявит результаты.


Ведущий: Следующий КОНКУРС «Скрытый вопрос»

На экране Вы видите девять чисел. За каждым числом скрыт вопрос по предмету «Спецтехнология». Участники конкурса по очереди называют любое число. После этого Вы увидите на какой вопрос необходим ответить. Правильность Ваших ответов оценивает наше уважаемое жюри. Полный и правильный ответ оценивается в два балла. Если ответ не верный или неполный остальные участники могут дополнить и тем самым заработать дополнительный балл.

  1. Что входит в шасси автомобиля?


ОТВЕТ: В шасси автомобиля входят трансмиссия, ходовая часть и механизмы управления.












2. Какие недостатки двигателей внутреннего сгорания?




ОТВЕТ: К недостаткам двигателей внутреннего сгорания относятся: затрудненный пуск в холодное время года; повышенный шум выпуска отработавших газов и высокая их токсичность, что неблагоприятно воздействует на здоровье людей, на животных и растительность. Отработавшие газы содержат около 60 различных веществ, из которых наиболее опасными для здоровья людей являются окись углерода, окислы азота, альдегиды, сернистый газ и сероводород. При работе на этилированном бензине в отработавших газах содержатся соединения свинца, также отрицательно действующие на организм человека.



3. Какое назначение сцепления на автомобиле?




ОТВЕТ: Сцепление – механизм трансмиссии автомобиля, передающий крутящий момент двигателя и позволяющий кратковременно отсоединять двигатель от трансмиссии и вновь их плавно соединять, что необходимо при переключении передач, трогании автомобиля с места и его остановке. Кроме того, сцепление предохраняет детали механизмов трансмиссии от перегрузок инерционным моментом, создаваемым вращающимися деталями двигателя, при резком замедлении вращения коленчатого вала двигателя.

4. Какое назначение коробки передач?




ОТВЕТ: Коробка передач служит для передачи крутящего момента и изменения тяговых усилий на ведущих колесах автомобиля с изменением скорости движения, а также для получения заднего хода и разобщения на длительное время двигателя от ведущих колес автомобиля.

5. Какое назначение карданной передачи на автомобиле?



ОТВЕТ: Карданная передача – механизм трансмиссии автомобиля, состоящий из одного или нескольких карданных шарниров и предназначенный для передачи крутящего момента внутри трансмиссии между агрегатами, оси валов которых не совпадают и могут изменять свое положение. Карданная передача также применяется для передачи крутящего момента к раздаточной коробке, переднему ведущему мосту.





6. Какое назначение главной передачи?












ОТВЕТ: Главная передача – механизм трансмиссии автомобиля, преобразующий крутящий момент и расположенный перед ведущими колесами автомобиля.





7. Какое назначение дифференциала?



ОТВЕТ: Дифференциал – механизм трансмиссии автомобиля, разделяющий подводимый к нему крутящий момент между выходными валами и позволяющий им вращаться с неодинаковыми скоростями, что необходимо при движении автомобиля на поворотах, закруглениях дороги, неровностях.







8. Какие неисправности могут возникнуть в системе электрического зажигания и как их устраняют?

ОТВЕТ: К основным неисправностям в системе электрического зажигания относятся: отсутствие тока в цепях низкого или высокого напряжения; перебои при работе двигателя в одном или нескольких цилиндрах; частое подгорание контактов прерывателя; образование трещин в распределителе, роторе, свече зажигания; неисправности в катушке зажигания, конденсаторе, включателе зажигания, транзисторном коммутаторе.

9. Какие меры безопасности следует соблюдать при работе с бензином?


Бензин – легкоиспаряющаяся жидкость, пары которой при вдыхании отрицательно воздействуют на нервную систему человека, а при длительном вдыхании наступают галлюцинации, головные боли, головокружение. Опасен бензин и тем, что он легко проникает сквозь поры в коже человека и тоже вызывает отравление организма. Особую опасность представляет этилированный бензин, так как в нем содержится тетраэтилсвинец, который очень медленно выводится из организма, а находясь там, вызывает еще большее отравление с остаточными явлениями. Кроме того, бензин, испаряясь, смешивается с воздухом и образует легковоспламеняющуюся смесь даже от горящей папиросы, что может привести к пожару.

Поэтому обращаться с бензином необходимо особо осторожно. Во время заправки топливного бака следует пользоваться заправочным пистолетом, открывая его тогда, когда он установлен в заправочную горловину. При заправке из разливочной посуды необходимо пользоваться лейкой и становиться так, чтобы ветер относил пары бензина. Запрещается засасывать бензин, продувать засорившиеся топливопроводы и фильтры ртом, а также мыть детали, руки, одежду. В случае попадания бензина на кожу это место необходимо смыть: керосином, а затем теплой водой с мылом и тщательно вытереть. Когда бензин попадает в глаза, уши – и открытые раны, их необходимо сразу же промыть чистой водой и обратиться к врачу. Для оказания первой медицинской помощи на каждом автомобиле следует иметь медицинскую аптечку с набором медикаментов.













Ведущий : Следующий КОНКУРС «Проверь свою память»

Ваша будущая профессия требует внимания и цепкой памяти, потренируем же их. Вам на слайде будут представлены логотипы автомобилей. 20 секунд вы запоминаете, где какой логотип находится. После этого я объявлю задание.

Назвать какой логотип автомобиля расположен в правом нижнем углу? (VOLVO)














Ведущий : В последнем конкурсе участникам необходимо ответить на вопросы теста. Вопросы составлены по предмету «Охрана труда», «Материаловедение», «Электротехника».




ТЕСТЫ

1. Величина зазора между электродами свечей на карбюраторном двигателе должна составлять:

- 1,0...1,3 мм.

- 0,6...0,7 мм.

- 0,2...0,3 мм.

2. В каком случае следует накладывать давящую повязку

- При кровотечениях, если кровь пассивно стекает из раны.

- Алая кровь из раны вытекает фонтанирующей струей.

- Большое кровавое пятно на одежде.

- В случаях синдрома сдавления до освобождения конечностей

3. В каком случае пострадавшего необходимо переносить на спине с приподнятыми или согнутыми в коленях ногами

- В состоянии комы.

- При частой рвоте.

- При проникающих ранениях брюшной полости.

- При проникающих ранениях грудной клетки.

- При ранении шеи.

4. В радиусе скольких метров от места касания электрическим проводом земли можно попасть под шаговое напряжение

- 3 метра

- 5 метра

- 7 метра

- 10 метров

- 15 метров

5. В случае отравления ядовитыми газами необходимо повернуть пострадавшего на живот и приложить холод к голове, если сознание не появилось в течении

- 2 минут

- 3 минут

- 4 минут

- 5 минут

- 6 минут

6. Что нужно сделать при проникающем ранении грудной клетки

- Прижать ладонь к ране закрывая доступ воздуха, наложить герметичную повязку, -транспортировать в сидячем положении

- Прижать ладонь к ране закрывая доступ воздуха, заклеить пластырем, транспортировать в лежачем положении на спине

- Прижать ладонь к ране закрывая доступ воздуха, наложить герметичную повязку, -транспортировать в лежачем положении на спине

- Прижать ладонь к ране закрывая доступ воздуха, наложить герметичную повязку, транспортировать в стоячем положении

- Прижать ладонь к ране закрывая доступ воздуха, заклеить пластырем, транспортировать в стоячем положении

7. Правила обработки термического ожога с нарушением целостности ожоговых пузырей и кожи

-Промыть водой, накрыть сухой чистой тканью, поверх сухой ткани приложить холод

-Забинтовать обожжённую поверхность, поверх бинта приложить холод

-Накрыть сухой чистой тканью, поверх сухой ткани приложить холод

-Промыть тёплой водой, смазать жиром, накрыть сухой тканью, приложить холод

-Смазать жиром, накрыть сухой чистой тканью, поверх ткани приложить холод

8. Признаки закрытого перелома костей конечности

-видны костные обломки

-деформация и отек конечности

-наличие раны, часто с кровотечением

-синюшный цвет кожи

-сильная боль при движении

9. Признаки артериального кровотечения

-алая кровь из раны вытекает фонтанирующей струей

-над раной образуется валик из вытекающей крови

-большое кровавое пятно на одежде или лужа крови возле пострадавшего

-очень темный цвет крови

-кровь пассивно стекает из раны

10. Из какого металла изготавливают кузов автомобиля?

- сталь

- алюминий

-титан

-медь


ТЕСТЫ С ПРАВИЛЬНЫМИ ОТВЕТАМИ

1. Величина зазора между электродами свечей на карбюраторном двигателе должна составлять:

- 1,0...1,3 мм.

+ 0,6...0,7 мм.

- 0,2...0,3 мм.

2. В каком случае следует накладывать давящую повязку

+ При кровотечениях, если кровь пассивно стекает из раны.

- Алая кровь из раны вытекает фонтанирующей струей.

- Большое кровавое пятно на одежде.

- В случаях синдрома сдавления до освобождения конечностей

3. В каком случае пострадавшего необходимо переносить на спине с приподнятыми или согнутыми в коленях ногами

- В состоянии комы.

- При частой рвоте.

+ При проникающих ранениях брюшной полости.

- При проникающих ранениях грудной клетки.

- При ранении шеи.

4. В радиусе скольких метров от места касания электрическим проводом земли можно попасть под шаговое напряжение

- 3 метра

- 5 метра

- 7 метра

+ 10 метров

- 15 метров

5. В случае отравления ядовитыми газами необходимо повернуть пострадавшего на живот и приложить холод к голове, если сознание не появилось в течении

- 2 минут

- 3 минут

+ 4 минут

- 5 минут

- 6 минут

6. Что нужно сделать при проникающем ранении грудной клетки

+ Прижать ладонь к ране закрывая доступ воздуха, наложить герметичную повязку, транспортировать в сидячем положении

- Прижать ладонь к ране закрывая доступ воздуха, заклеить пластырем, транспортировать в лежачем положении на спине

- Прижать ладонь к ране закрывая доступ воздуха, наложить герметичную повязку, транспортировать в лежачем положении на спине

- Прижать ладонь к ране закрывая доступ воздуха, наложить герметичную повязку, транспортировать в стоячем положении

- Прижать ладонь к ране закрывая доступ воздуха, заклеить пластырем, транспортировать в стоячем положении

7. Правила обработки термического ожога с нарушением целостности ожоговых пузырей и кожи

-Промыть водой, накрыть сухой чистой тканью, поверх сухой ткани приложить холод

-Забинтовать обожжённую поверхность, поверх бинта приложить холод

+Накрыть сухой чистой тканью, поверх сухой ткани приложить холод

-Промыть тёплой водой, смазать жиром, накрыть сухой тканью, приложить холод

-Смазать жиром, накрыть сухой чистой тканью, поверх ткани приложить холод

8. Признаки закрытого перелома костей конечности

-видны костные обломки

+деформация и отек конечности

-наличие раны, часто с кровотечением

+синюшный цвет кожи

+сильная боль при движении

9. Признаки артериального кровотечения

+алая кровь из раны вытекает фонтанирующей струей

+над раной образуется валик из вытекающей крови

+большое кровавое пятно на одежде или лужа крови возле пострадавшего

-очень темный цвет крови

-кровь пассивно стекает из раны

. 11.Из какого металла изготавливают кузов автомобиля?

+ сталь

+ алюминий

-титан

-медь





Ведущий: А теперь мы просим жюри объявить результаты первого этапа конкурса.

МОЛОДЦЫ!!!!! Вы отлично справились с первым этапом нашего конкурса. Второй этап конкурса, а именно выполнение практического задания мы проведём в учебной мастерской после небольшого перерыва.







ВТОРОЙ ЭТАП


Всех участников мы разбили на команды. Каждая команда должна разобрать и собрать коробку передач на время, при этом соблюдая правила техники безопасности, последовательность и качество сборки и соблюдением порядка на рабочем месте. Результаты конкурса мы будем оценивать по следующим критериям:

  1. Организация рабочего места ;

  2. Охрана труда ;

  3. Лучшее время, затраченное на разборку и сборку;

  4. Соблюдение последовательности сборки

  5. Качество сборки


Оценивать работу каждой команды будет. Им предоставляются отдельные протоколы оценивания, После проведения второго этапа конкурса жюри суммирует результаты за первый и второй этап каждого участника конкурса.



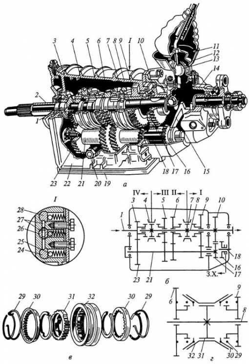
ТРЕХВАЛЬНАЯ КОРОБКА ПЕРЕДАЧ ВАЗ -2101

Конструкция коробки передач легкового автомобиля ВАЗ-2101показана на схеме 1. Коробка передач механическая, трехходоваяс постоянным зацеплением шестерен, с синхронизаторами и с ручным переключением передач.

Коробка имеет четыре передачи для движения вперед и одну передачу для движения назад. Шестерни всех передач (кроме заднего хода) – косозубые, что уменьшает шум при работе коробки передач, имеют постоянное зацепление. Шестерни передачи заднего хода – прямозубые. Передачи для движения вперед включаются с помощью синхронизаторов, а для движения назад – передвижением промежуточной шестерни заднего хода. Переключаются передачи с помощью рычага, который имеет три хода вперед и назад для переключения передач.


Конструкция коробки передач ВАЗ-2101

INCLUDEPICTURE "http://autonotes.info/wp-content/gallery/korobka/dynamic/vaz-korobka-nggid03191-ngg0dyn-510x0x100-00f0w010c010r110f110r010t010.jpg" \* MERGEFORMATINET


Схема 1.  Коробка передач легкового автомобиля ВАЗ-2101

а – общий вид; б, г – схемы коробки и синхронизатора; в – синхронизатор; І – замок; 1 – первичный вал; 2, 12, 14, 19 – крышки; 3, 5, 6, 9, 10, 16, 17, 23 – шестерни; 4, 7 – синхронизаторы; 8 – вторичный вал; 11, 29 – пружины; 13 – рычаг; 15 – вилка; 18 – ось; 20 – пробка; 21 – промежуточный вал; 22 – картер; 24, 26, 28 – ползуны; 25 – фиксатор; 27 – замок; 30 – кольцо; 31 – ступица; 32 – муфта; I – IV — передачи.


В отлитом из алюминиевого сплава картере 22 коробки передач на подшипниках установлены:  первичный (ведущий) 1, вторичный (ведомый) 8 и промежуточный 21 валы. Первичный вал выполнен, как одно целое, с шестерней 3 IV передачи, находящейся в постоянном зацеплении с шестерней 23 промежуточного вала, представляющего собой блок шестерен.

На вторичном валу свободно установлены шестерни 5, 6 и 9 соответственно III, II и I передач, находящиеся в постоянном зацеплении с соответствующими шестернями промежуточного вала. На вторичном валу также жестко закреплены ступицы синхронизаторов 4 и 7 и шестерня 10 заднего хода. Промежуточная шестерня 16 заднего хода свободно установлена на оси 18.

При включении I и II передач синхронизатор 7 соединяет соответственно шестерни 6 и 9 с вторичным валом коробки передач. При включении III и IV передач синхронизатор 4 соединяет соответственно шестерню 5 и первичный вал 1 с вторичным валом. Задний ход включается вилкой 15 путем введения в зацепление шестерни 16 с шестернями 17 и 10.

Картер коробки передач закрывается крышками 19, 2 и 14. Под нижнюю 19 и заднюю 14 крышки установлены прокладки.

Устройство синхронизатора

Синхронизатор состоит из ступицы 31, скользящей муфты 32, блокирующих колец 30 и пружин 29. Ступица синхронизатора закреплена на вторичном валу коробки передач. Она имеет наружные шлицы, на которых установлена скользящая муфта 32 с внутренними коническими поверхностями. Блокирующие кольца 30 имеют наружные конические поверхности и внутренние зубья со скосами. Блокирующие кольца постоянно отжимаются пружинами 29 к скользящей муфте 32.

Работа синхронизатора основана на использовании сил тренияВключение передачи возможно только после предварительного уравнивания угловых скоростей вторичного вала и шестерни включаемой передачи. После уравнивания угловых скоростей за счет трения между коническими поверхностями скользящей муфты 32 и блокирующего кольца 30 зубья муфты входят в зацепление с зубчатым венцом синхронизатора, выполненным на шестерне. В этом случае свободно вращающаяся шестерня на вторичном валу с помощью синхронизатора соединяется с вторичным валом, и передача включается.

Устройство механизма переключения передач

Механизм переключения коробки передач включает рычаг переключения 13, ползуны 24, 26 и 28 с вилками, шариковые фиксаторы 25 и замок 27. Рычаг 13 прижимается пружиной 11 к сферической поверхности крышки 12 шаровой опоры и имеет фигурный конец, который при переключении передач входит в пазы вилок. Вилки, установленные на ползунах, входят в выточки скользящих муфт синхронизаторов 4 и 7 и промежуточной шестерни 16 заднего хода. Шариковые фиксаторы 25 удерживают ползуны в нейтральном и включенном положениях, а замок 27 исключает одновременное включение двух передач.

Замок состоит из двух блокировочных сухарей и штифта между ними. При перемещении среднего ползуна 26 оба сухаря выходят из его углублений и запирают крайние ползуны 24 и 28, исключая их смещение. При перемещении одного из крайних ползунов сухарь выходит из его углубления, блокирует средний ползун и, действуя через штифт на другой сухарь, запирает также другой крайний ползун, что исключает включение двух передач одновременно.

Коробка передач крепится к заднему торцу картера сцепления. В нее через резьбовое отверстие с пробкой 20 заливают трансмиссионное масло. Внутренняя полость коробки передач через сапун сообщается с атмосферой. Масло из коробки передач сливается через резьбовое отверстие с пробкой, расположенное в нижней крышке 19.





Ведущие благодарят за работу участников и прощаются.

Самоанализ

Заключительная часть


Мероприятие достигло поставленных целей а именно: межпредметная связь с дисциплинами «Спецтехнология», «Материаловедение», «Основы электротехники», «Охрана труда».

Данная разработка основана на принципах: формирование у учащихся информационно-познавательной компетенции. Пополнение словарного запаса профессиональной терминологией, историческими и техническими данными по предметам «спецтехнология», «материаловедения», «электротехника» и «охраны труда» автослесаря. Формирование у учащихся умений оперировать знаниями при решении интеллектуально – практических заданий творческого характера.

Учащиеся проявили ответственность, показали свои знания по изучаемым предметам. Проявили качества такие, как здоровое соперничество, толерантность, коммуникабельность и взаимопонимание.

Во внеклассном мероприятии было использовано много различных методов:

Интерактивные:.

Определи тип кузова.

Разгадали кроссворд.

«Скрытый вопрос»

Словесные:

Беседа.

Пояснение.

Разъяснение.

Практические и наглядные:

Тестирование».

Задание на внимание и память.

«Устройство автомобиля»

Практическое задание


Получите в подарок сайт учителя

Предмет: Математика

Категория: Мероприятия

Целевая аудитория: Прочее.
Урок соответствует ФГОС

Скачать
Внеурочное мероприятие "Лучший по профессии"

Автор: Саух Людмила Сергеевна

Дата: 10.10.2024

Номер свидетельства: 657440

Похожие файлы

object(ArrayObject)#863 (1) {
  ["storage":"ArrayObject":private] => array(6) {
    ["title"] => string(82) "Предпрофильная подготовка учащихся 9 класса "
    ["seo_title"] => string(52) "priedprofil-naia-podghotovka-uchashchikhsia-9-klassa"
    ["file_id"] => string(6) "241999"
    ["category_seo"] => string(15) "angliiskiyYazik"
    ["subcategory_seo"] => string(12) "planirovanie"
    ["date"] => string(10) "1445357164"
  }
}
object(ArrayObject)#885 (1) {
  ["storage":"ArrayObject":private] => array(6) {
    ["title"] => string(172) "Межпредметная связь в организации внеурочной работы преподавателями специальных дисциплин»"
    ["seo_title"] => string(80) "mezhpredmetnaia_sviaz_v_organizatsii_vneurochnoi_raboty_prepodavateliami_spetsia"
    ["file_id"] => string(6) "524896"
    ["category_seo"] => string(7) "prochee"
    ["subcategory_seo"] => string(7) "prochee"
    ["date"] => string(10) "1572437042"
  }
}
object(ArrayObject)#863 (1) {
  ["storage":"ArrayObject":private] => array(6) {
    ["title"] => string(192) "Формирование универсальных учебных действий на занятиях по экономике в рамках внеурочной деятельности "
    ["seo_title"] => string(118) "formirovaniie-univiersal-nykh-uchiebnykh-dieistvii-na-zaniatiiakh-po-ekonomikie-v-ramkakh-vnieurochnoi-dieiatiel-nosti"
    ["file_id"] => string(6) "113290"
    ["category_seo"] => string(10) "vneurochka"
    ["subcategory_seo"] => string(7) "prochee"
    ["date"] => string(10) "1409822201"
  }
}
object(ArrayObject)#885 (1) {
  ["storage":"ArrayObject":private] => array(6) {
    ["title"] => string(130) ""Военно-патриотическое воспитание на уроках НВП и во внеурочное время" "
    ["seo_title"] => string(79) "voienno-patriotichieskoie-vospitaniie-na-urokakh-nvp-i-vo-vnieurochnoie-vriemia"
    ["file_id"] => string(6) "130299"
    ["category_seo"] => string(10) "vneurochka"
    ["subcategory_seo"] => string(7) "prochee"
    ["date"] => string(10) "1415876755"
  }
}
object(ArrayObject)#863 (1) {
  ["storage":"ArrayObject":private] => array(6) {
    ["title"] => string(79) "Внеклассное мероприятие "А ну- ка, бабушки!" "
    ["seo_title"] => string(45) "vnieklassnoie-mieropriiatiie-a-nu-ka-babushki"
    ["file_id"] => string(6) "143339"
    ["category_seo"] => string(22) "klassnomuRukovoditeliu"
    ["subcategory_seo"] => string(12) "meropriyatia"
    ["date"] => string(10) "1418504298"
  }
}


Получите в подарок сайт учителя

Видеоуроки для учителей

Распродажа видеоуроков!
1740 руб.
2480 руб.
1570 руб.
2240 руб.
2100 руб.
3000 руб.
ПОЛУЧИТЕ СВИДЕТЕЛЬСТВО МГНОВЕННО

Добавить свою работу

* Свидетельство о публикации выдается БЕСПЛАТНО, СРАЗУ же после добавления Вами Вашей работы на сайт

Удобный поиск материалов для учителей

Проверка свидетельства